簡易光功率計設計實驗
一、實驗目的
了解光敏三極管的工作原理和使用方法及用途
二、實驗內容
利用光敏三極管設計光功率計實驗電路
三、實驗儀器
光電技術創新綜合實驗儀 一臺
光敏二三極管實驗模塊 一塊
光源輸出及測量實驗模塊 一塊
連接導線 若干
四、實驗原理
1、實驗原理
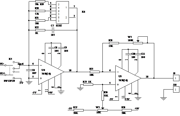
實驗原理參考圖4-1。

圖4-1 簡易光功率計電路
本實驗使用光敏三極管作為探測器,級7650作I/V變換用。第二級起反向的作用,輸出信號直接供電壓表使用。可以根據電壓表的顯示范圍適當調節W2,K6起到一級電壓放大倍數換擋調節的作用。
五、實驗注意事項
1、連線之前要保證電源關閉;
2、打開電源之前,將“電源調節”旋鈕逆時針調至最小值;
3、若照度計、電流表或電壓表顯示為“1_”時說明超出當前量程,應選擇合適的量程再測量;
4、嚴禁將任何電源對地短路。
六、實驗步驟
光功率計設計實驗
1、打開實驗箱電源,調節照度計“調零”旋鈕,至照度計顯示為“000.0”為止,關閉實驗箱電源;
2、J7、J8分別連接實驗箱上的光電二極管結構件黃、藍插孔,同時將套筒紅、黑插孔與照度計紅、黑插孔相連;
3、打開實驗箱電源,調節光照使光照強度為0,即照度計顯示為0,按下模塊上的開關K1和K5,同時保證其余開關都彈起,調節W3使J9點電壓為0;
4、按“照度加”按鈕,增加光照強度,用示波器觀察J9的波形。(照度增加J9點電壓增大,調節W2、J9點電壓會跟著發生變化,K6開關的F,S,T分別代表輸出電壓放大倍數的高,中,低三檔);
5、J7、J8分別連接實驗箱上的光電三極管結構件黃、藍插孔,同時將套筒紅、黑插孔與照度計紅、黑插孔相連;
6、重復步驟3和4;
7、將“電源調節”旋鈕逆時針旋至不可調位置,關閉實驗箱電源。
二次開發實驗
(1)利用二次開發實驗模塊自行搭建電路,電路如圖4-2所示;
(2)參考電路原理圖自行進行調試;

圖4-2
(3)參考簡易光功率計實驗的實驗步驟進行二次開發實驗,觀察實驗現象是否和模塊實驗現象一致。
七、思考題
1、分析光電二極管和光電三極管特性的區別。
2、還有哪些設計光電報警電路的設計思路?