光電密碼鎖實驗
一、實驗目的
加深了解光敏電阻的工作原理及應用性
二、實驗內容
光電密碼鎖設計實驗
三、實驗儀器
光電技術創新綜合實驗儀 一臺
光敏電阻實驗模塊 一塊
光源輸出及測量實驗模塊 一塊
連接導線 若干
四、實驗原理
1、實驗參考原理

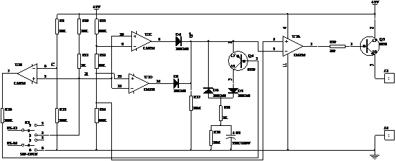
圖5-1 光電密碼鎖電路
其工作原理是:該電路由窗口電壓比較器、鑒別控制器和執行機構組成。運算放大器U1C和U1D組成一個窗口電壓比較器,窗口典型的范圍為1/2電源電壓,并且允許誤差±0.25%。當a點電壓落入比較器范圍內時,b點電位變低。反之,則變高。
當無光照時,光敏電阻RL阻值很大,a點電壓接近于電源電壓,經U1C、U1D鑒別后,b點輸出高電平,運放U1A輸出為低電平,三極管Q5截止,電子鎖處于閉鎖狀態。并且R9、R15分壓導致c點電位為0.9倍的電源電壓,但此時a點電位仍稍高于c點電位,故U1B輸出高電平,三極管Q4處于截止狀態。
當光敏電阻接收光照,電阻阻值降低為10K時,a點的電位降落在1/2電源電壓內,經運放U1C、U1D鑒別后,b點為低電平,經U1A運算放大器后輸出為高電平,此時Q5導通,繼電器接通,常開觸點吸合,指示燈亮,表示鎖被打開。鎖打開后,減弱光照,電路又回到初始狀態。當試圖通過調節光照改變光敏電阻阻值試探時,或接入錯誤電阻進行開鎖時,經運放U1C、U1D鑒別后,b點為高電平,經U1A運算放大器后輸出為低電平,繼電器不工作,鎖不能打開。此時運放U1B輸出為低電平,三極管Q4導通,b點的高電平通過Q4、D5、R18向E2快速充電。此后,即使利用試探法搜索到開鎖阻值,運放U1C、U1D輸出為低電平,但由于E2的高電平通過D6的作用,使b點維持高電平,運放U1A輸出低電平,Q5不能導通,繼電器電路被封鎖住,只有等E2通過R19放電結束后,才能解除封鎖狀態。
五、實驗注意事項
1、打開電源之前,將“電源調節”旋鈕逆時針調至底端;
2、實驗操作中不要帶電插拔導線,應該在熟悉原理后,按照電路圖連接,檢查無誤后,方可打開電源進行實驗;
3、若照度計、電流表或電壓表顯示為“1_”時說明超出量程,選擇合適的量程再測量;
4、嚴禁將任何電源對地短路。
六、實驗步驟
1、J7、J8分別連接實驗箱上的光敏電阻結構件黃、藍插孔,同時將套筒紅、黑插孔與照度計紅、黑插孔相連;
2、連接模塊上的J3插孔至J5插孔,J4插孔至J6插孔,打開實驗箱電源,調節照度計“調零”旋鈕,至照度計顯示為“000.0”為止。按下開關K1和K5,同時保證其余開關都彈起。
3、連續調節光源強度,觀察LED1的亮滅情況。
4、緩慢調節光照強度,用示波器觀察D4二極管的+極的電壓,如果為高電平則增加光照強度,使之變為低電平。當D4+極電壓調為低電平后、用示波器觀察D3+極的電壓,如果此電壓為高電平,則減小光照強度,使之變為低電平。反復調節光照強度,當D3、D4正極電壓都變為低電平的時候,觀察LED1的亮滅狀態。
5、當LED1處于發光狀態后;增大或減小光照強度,觀察LED1的亮滅狀態。
6、當LED1處于發光狀態時,調節撥碼開關SP1的狀態,觀察LED5,LED6,LED7,LED8與LED9,LED10,LED11,LED12對應發光情況。當LED1熄滅時再次觀察撥碼燈的對應發光情況。
7、將“電源調節”旋鈕逆時針旋至不可調位置,關閉實驗箱電源。
七、實驗思考
1、光電密碼鎖實驗電路存在哪些不足,可進行怎樣的改進?
2、試分析日常生活中,光敏電阻可用于什么領域?