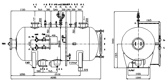
低壓循環貯液器發展路數
在氨泵供液制冷系統中,低壓循環貯液器用于貯存低壓液體氨和調節氨泵循環液體氨的流量,以免氨液隨氨氣進入壓縮機內造成濕壓縮事故,同時,具有分離氣液和排液筒的作用。貯液能力應不小于液泵每小時循環量的30%,允許的貯液量為筒體容積的70%。
一、技術參數:1.6MPa
試驗壓力:液壓試驗:2.0MPa氣密性試驗:1.6MPa
設計溫度:40℃
二、低壓循環貯液器(DX10.0)外形尺寸圖

三、低壓循環貯液器主要數據表


|
|
注:DX1.5L型號只有手孔,其余型號為人孔無手孔 http://www.isabellaresort.com
