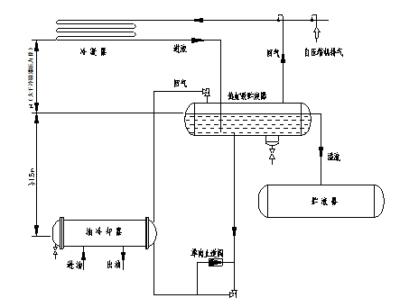
虹吸貯液器在恒溫恒濕試驗箱制冷系統扮演什么樣的角色
恒溫恒濕試驗箱制冷系統熱虹吸貯液器與熱虹吸油冷卻機組配套使用,當無溢流口時可兼作貯液器。熱虹吸油冷卻系統一般用于缺水或水質極差的地區及采用蒸發式冷凝器的氨系統中,熱虹吸貯液器是利用虹吸原理,將油冷卻器內的氣液混合制冷劑吸至熱虹吸貯液器內分離。熱虹吸油冷卻是噴油螺桿式制冷壓縮機間接冷卻潤滑油的一種方式,與水冷卻潤滑油方式不同,它依靠制冷劑的蒸發冷卻潤滑油,將冷卻油的熱負荷轉移到冷凝器中。該種油冷卻方式能很好地控制油溫,不存在換熱管結垢影響油冷換熱的問題,對壓縮機的排氣量和功耗也無影響;最適合水質較差地區或采用蒸發式冷凝器的制冷系統。
技術參數:設計壓力:2.0MPa試驗壓力:液壓試驗2.5MPa
氣密性試驗:2.0MPa設計溫度:50℃
熱虹吸油冷卻系統流程示意圖

熱虹吸貯液器(HZA0.25~HZA5.0)主要數據表

熱虹吸貯液器HGZA5.0~HGZA10.0主要數據表。http://www.isabellaresort.com
